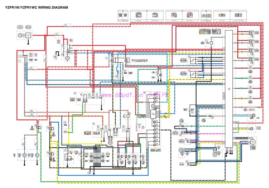
----- 资料详情 ----- 资料预览:请看截图. 资料简介:PDF格式 线路图 本文网址:http://www.68pdf.cn/a/129.html 欢迎分享本文,分享时请保留出处! Time :01-26 3人喜欢 分享/收藏:喜欢的朋友,记得复制网址 收藏本文!